企业短路电流超标治理应用场景
通过将快速开关与匹配阻抗并联,在识别故障后快速将阻抗投入电路,最大程度上限制短路电流,保障下端断路器分断、减少对设备的冲击、消除短路电流带来的电动力。
并联运行的系统场景
两台或多台主变并联运行的系统,ZLB可安装在母联位置,降低另一边系统提供的短路电流,为并网运行提供安全保障。
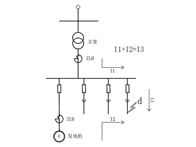
电源侧限流场景
对于短路电流超标的场合,ZLB零损耗深度限流装置应用于系统电源侧,如主变低压侧或发电机出口,系统支路发生短路,ZLB通过加大电源侧的阻抗,降低电源侧对短路点提供的电流,达到限制系统总的短路电流的目的。
